引言 随着我国城乡建设的迅速发展,水、电供应不足的矛盾越来越成为人们关注的问题。例如,人们日常生活中的用水量越来越大,一天中的用水量的波动也越来越大。以往的供水系统中,水泵的选取往往是按最大供水量来确定,而实际的用水量在不断变化。高峰用水时间较短,这样水泵在很长一段时间内有较大余量,不仅水泵效率低,供水压力不稳,而且造成大量电力、水资源的浪费;并且以往依靠手动操作控制泵的启动、停止,也已不能满足要求。这里,介绍一种变频控制的恒压供水系统,它既能解决人工操作的繁杂劳动和精神压力,又能节约能源[5>。 一、系统介绍 该控制系统主要装置包括:可编程控制器(PLC)、变频器、压力传感器、PID控制器以及相关软件控制单元。该装置形成一套完整的、全自动的、智能的恒压供水控制系统,如图1所示。该系统能够以三种方式工作,分别为全自动、半自动和手动操作方式,其中后两种是在全自动方式出现故障时的弥补。 
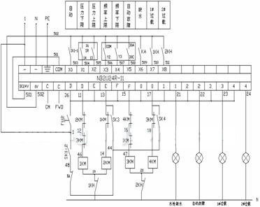
图1 恒压供水系统简图 2全自动恒压供水控制原理 当主水管网压力传感器的压力信号4~20mA送给数字PID控制器,控制器根据压力设定值与实际检测值进行PID运算,并给出信号直接控制变频器的转速以使管网的压力稳定。当用水量不是很大时,一台泵在变频器的控制下稳定运行;当用水量大到变频器全速运行也不能保证管网的压力稳定时,控制器的压力下限信号与变频器的高速信号同时被PLC检测到,PLC自动将原工作在变频状态下的泵,投入到工频运行,以保持压力的连续性,同时将一台备用的泵用变频器起动后投入运行,以加大管网的供水量,保证压力稳定。若两台泵运转仍,则依次将变频工作状态下的泵投入到工频运行,而将另一台备用泵投入变频运行。当用水量减少时,首先表现为变频器已工作在最低速信号有效,这时压力上限信号如仍出现,PLC首先将工频运行的泵停掉,以减少供水量。当上述两个信号仍存在时,PLC再停掉一台工频运行的电机,直到最后一台泵用主频器恒压供水[4>。另外,控制系统设两台泵为一组,每台泵的电机累计运行时间可显示,24小时轮换一次,既保证供水系统有备用泵,又保证系统的泵有相同的运行时间,确保了泵的可靠寿命。 二、系统原理图 1.PLC系统原理图,如图2所示: 
图2 PLC系统原理图 2.外部设备接线图,如图3所示: 
三、 恒压供水控制系统的编程 本程序用富士专用的FLEX PLC编程器编译[1>,利用梯形图清晰直观地展示各设备的运转状况等等。具体编程思想如下: 首先选择利用FLEX PLC的输入继电器、输出继电器以及内部继电器,确定本设计方案所包括的仪器仪表。即一台富士NB系列PLC、两台7.5KW水泵、一台富士G11/P11变频器、一台压力传感器、一台SR90系列PID调节器、若干个空气开关、断路器、中间继电器等。根据PLC接线原理图(如图2所示),进行详细接线,并参考FUJI NB系列可编程控制器得参考手册,对PLC输入输出端子进行定义。 部分梯形图 PLC的恒压供水控制系统部分梯形图如下[2>: 
四、系统操作说明 4.1自动控制 1. 设定用户需要的目标压力值 系统送电之后,控制柜面板上的电源指示灯点亮,其下方的温控表将会有显示:PV---.---、SV---.---。其中PV---.---表示水管网中的实测压力值,SV---.---表示用户需要的目标压力值.用户可按动▲、▼键使 SV---.--- 中的数字发生改变,直到显示用户需要的水管网的压力值时按下ENT键,结束目标压力值设定。 2.选择需要开启的泵组 自动/停/手动开关向左45度扳动一次时,泵组处于启动状态,系统将选择1号泵组启动;控制柜面板上的自动/停/手动开关扳到垂直位置时,四台泵组均处于停止状态。当将自动/停/手动开关再次向左45度扳动一次时,系统将选择2号泵启动; 3.变频自动工作开始 当系统检测到某台泵组的启动信号以后,便会使变频器开始升频工作,此时水管网中的压力开始上升,即PV---.---中的显示值开始上升,并不断趋向于用户设定的SV---.---中的目标压力值。当水管网中的压力和用户的设定的目标压力值相吻合(即PV---.---中的显示值和SV---.---中的显示值相吻合)时,变频器的输出频率便会稳定[3>。 4.2自动控制中的部分功能 1.自动切换至工频 2.故障泵组自动退出运行 3.定期倒换工作泵组 五、恒压供水控制系统的优点 1.采用变频恒压供水,消除了主管网压力波动,保证了供水质量,而且节能效果明显,并延长了主管网及其阀门的使用寿命。 2.用稳压减压阀经济地解决了不同用水压力的问题。 3.拓宽运用变频恒压控制原理,较好地解决了加压泵房与抽水泵房的远程通讯总是并达到异地连锁控制的目的。 |