站点首页
|
论坛首页
|
注册会员
|
搜索贴子
|
会员列表
|
版权
用户名:
密 码:
不存
一天
一月
一年
永宏PLC技术论坛
坚持以人为本,奉行“客户第一”的服务宗旨,“与客户共同发展”的经营理念
全部主题
|
PLC
|
人机界面
|
软件下载
|
站务管理
分类:
永宏PLC
-
其它品牌PLC
-
未分类
-
推荐
【首页】
→
【PLC】
→ 主题:OS V4.62变更说明
字体:
大
中
小
回复
OS V4.62变更说明
刘建阳
(2010-01-23 09:27:19)
点击:
22464
回复:
0
IP:
117.28.128.*
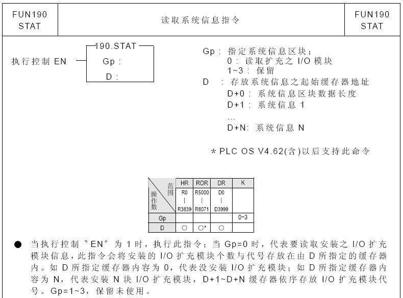
OS V4.62变更说明
===============================
回复
|
引用
·
上一篇:
VB与PLC通讯的问题
·
下一篇:
plc模拟量输出模块程式?
[返回]
[本主题共
0
回复 | 每页显示
20
回复]
按用户名:
按标题:
按内容:
所有栏目
PLC
人机界面
软件下载
站务管理
包括所有回复
数据正在处理中...
【首页】
→
【PLC】
→
回复:
OS V4.62变更说明
帖子标题:
  未登录!
您的权限:
发表回复:
×
UBB功能:
×
文件上传:
×
↑
↓
...数据正在处理中...
数据发表时同时被复制到剪贴板
重发时可以使用粘贴来还原数据.