CMP 原料掺混机
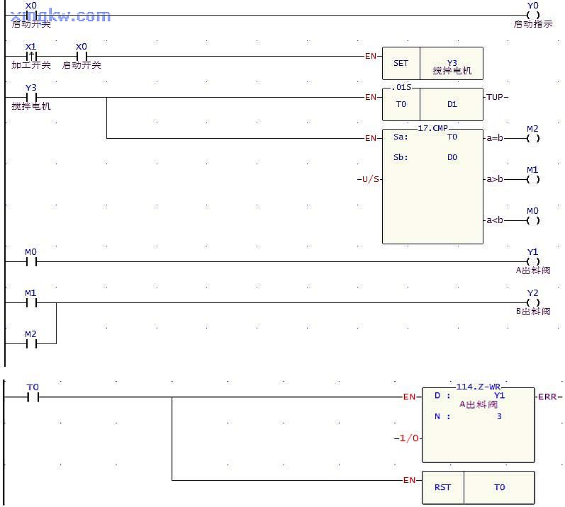
【控制要求】有一原料掺混机及 A、B料,当系统启动( X0)时,系统启动指示灯( Y0)亮,当按下加工启动开关( X1)后,A料控制阀( Y1)开始送料,且搅拌器电机( Y3)开始转动,到达设置时间( D0)后,换由 B料控制阀(Y2)开始送料,且搅拌器电机( Y3)持续转动,直到工作时间( D1)到达。
【元件说明】
【控制程序】
【程序说明】
|
<< ZNCMP 水塔水位高度警示控制位移反转控制 >>

CMP 原料掺混机
<< ZNCMP 水塔水位高度警示控制位移反转控制 >>
|
COPYRIGHT(C) 2011 厦门永宏亚得机电科技有限公司版权所有(闽ICP备05025945号) ALL RIGHTS RESERVED?
电话: 0592-5190891 传真: 0592-5190720 E-Mail: E-mail:yade8895@163.com
地址: 厦门市海沧区兴港六里17号2607室
邮编:361009 联系人:翟先生