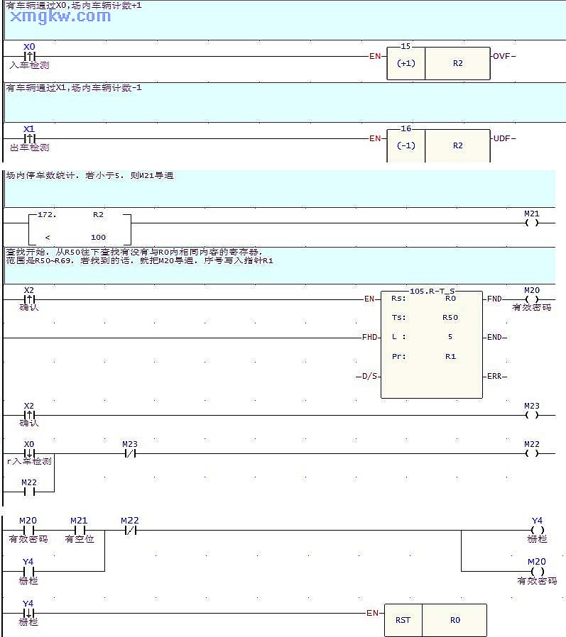
R-T_S 凭密码进入停车场
【控制要求】
【元件说明】
【控制程序】
【程序说明】
当找寻控制〝 EN〞=1 或〝EN↑〞(P指令)由 0→1时,自列表 Ts的开头第一个缓存器开始(〝 FHD〞=1 或Pr值已达 L=1时)或自列表中当时指针所指那个缓存器的下一个缓存器 Tspr+1开始(〝FHD〞=0 同时 Pr 值小于 L1)往下找寻和样本数据 Rs不同( D/S=1时)或相同( D/S=0时)的缓存器。若找到(不同或相同的),则立即停止,并将该目标在列表的位置序号值存放到 Pr 去,同时将找到目标旗号〝 FND〞设为1 。 |



