永宏PLC+台达人机+东元伺服联机案例
一、系统简介 二、写好PLC、人机的程式如下: ![]() 下载到人机 ![]() 有关人机编程详细应用请参考《DOP人机界面使用手册》
2、PLC程式
程序注解
在编程软件里将PLC的Y0和Y1输出切换到SCO内部的HSPSO电路,并决定输出脉冲的工作模式,操作如下:
在编程软件里编辑伺服命令表格: 表格类别:伺服命令表格。
表格名称:可为联机表格输入一容易辨识的名称,方便日后修改或错用。 表格起始地址:输入指令(FUN140)所用的数据表格起始缓存器SR的起始位置。 设定好后点击确定,跳到以下界面: ![]() 点击新增转到下面的画面:
![]() 速度:脉冲输出的频率。
运转:脉冲输出量。 等待:当脉冲输出完成时,欲执行下一步等待指令。 跳至:当等待指令条件满足时,描述将要执行的步数。 设定完毕点击确定: ![]() 点击确定,伺服命令表格设定完成。
有关FUN140(HSPSO)单轴高速脉冲输出指令的详细应用请参考《使用手册—Ⅱ》第十三章:FBS-PLC的NC定位控制。 三、接好所有的硬件连接线路,设定好伺服驱动器的参数
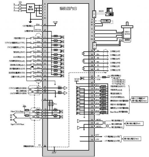
1、 伺服参数: 1) 位置控制参数→pn301.0(位置脉波命令型式选择)→选“0”(脉冲(pujse)符号(singn))。 2) 位置控制参数→pn302(电子齿轮比分子1) →输入“32768” 3) 位置控制参数→pn306(电子齿轮比分母) →输入“3600” 2、 伺服与PLC的硬件接线,参见下图: ![]() 在接线时45#、47#和41#三脚短接,1#脚由PLC的Y2控制,4#、5#和48#三脚短接,15#和17#位置脉冲命令输入。
注:伺服驱动器的接线、参数设置和其他功能的使用请参考东元伺服说明书。 点击下载>>程序范例 (提示:请用WinProladder打开)
|
<< PLC控制系统设计的要点08年第二季Q&A >>










