井下智能阀门控制系统的设计
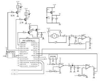
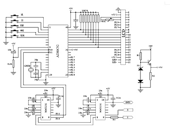
| 本文设计的井下智能阀门控制系统,采用由单片机组成的计时与控制单元,配合多级封隔器,实现一次作业下井,配合地下计量和化验,按设定时间(也可根据需要使某些设定时间失效)进行分层和轮番采油。系统采用双CPU控制,主机能在现场完成数据录入、处理和显示。从机选用PIC单片机和硅振荡器,使系统可在125℃高温环境中长期工作。井下控制系统的平均工作电流小于0.2mA,使用10盎司的电池供电,可连续工作1万小时。 系统工作原理 系统的基本工作原理是根据用户对油井测层的需要,在地面对准备下入井下不同深度目的层的各智能阀门进行多个开关时间设定,然后连同封隔器及防砂管一齐下入井中。各智能阀根据所设定的时间打开或关闭相应的控制阀,(也可根据外界条件,使某次所设定的关阀失效),自动切换目的层,再配合地面测试仪器,定量读取有关数据。 ![]() 图1:系统原理框图 系统主要有两部分组成:阀门动作时间设定器(下称主机)和井下阀门控制器(下称从机),系统原理框图如图1所示。主机设计为带有液晶显示的手持设备,可在地面对各从机进行多个时间设定,对设定的时间数据进行处理和显示,并能对设定时间的正确与否做出判定。从机下到井下后,可根据所设定的时间,并与有关流量仪器配合动作,驱动电机拖动相应的阀门打开或关闭。 主机部分的硬件电路设计 主机主要包括人机界面和通讯模块,采用AT89C52单片机作为控制核心,其电路如图2所示。系统共设计了5个按键:“加”键、“减”键、“右移”键、“确定”键和“取消”键。操作人员可通过该组按键,依据日历的方式完成多组时间的设定和确认。显示的时间数据包括“年、月、日、时、分”,数据量较大。因此选用192×64个显示单元的LCD显示器。单片机能够直接访问LCD显示器,省去了单片机于LCD之间的液晶显示控制器,降低了系统成本。主机与丛机之间采用RS-232串口通讯,完成数据和控制指令的传输。 图2:主机硬件电路图 从机部分的硬件电路设计 从机由电池供电,需要长时间独立工作于井下125℃以下的高温环境中。因而耐高温、低功耗、高可靠性是从机设计中首要考虑的问题。本系统采用PIC16F876A单片机为核心,实现油井阀门控制器,其硬件结构如图3所示。从机主要包括:时钟控制信号、工作电流控制器、阀门电机驱动器、流量信号采集器。PIC16F876A是美国Microchip公司生产的一种28脚8位单片机,采用哈佛总线结构,在3V工作电压、32KHZ时钟频率时,典型工作电流小于20uA,工作温度范围为-40℃~+125℃,自带异步串行口,符合系统低功耗和高工作温度的要求。 ![]() 图3:从机硬件电路图 时钟控制信号由MAXIM公司生产的Max7378CMOJ硅振荡器提供。该芯片能够为3V工作电源的微控器提供32.768KHZ的主时钟脉冲,其典型的工作电流为11 uA。工作温度为-40℃~+125℃,具有抗振动和EMI抑制等特性,使其对污浊和潮温的工作环境不敏感,能工作于井下恶劣环境中,满足所设定时间的时钟要求。 工作电源控制器由BG1和BG2等组成,其主要作用是降低系统功耗。在从机工作的绝大部分时间内,仅需时钟工作即可。此时单片机②脚输出低电平,工作电源控制器输出电压Vc为0V。这样,从机中除时钟外其它电路均不供电。只有当所设定的各个时间到时,单片机的②脚才输出10分钟的高电平,此时,Vc电压上升到10V左右,使各部分功能电路上电10分钟,10分钟内足以完成开阀和关阀工作。此种设计方案可使从机在可靠工作条件下功耗有效减小。 阀门电机驱动器由BG4、BG5、J1、J2和IC2C等组成。为所设定的某个开阀时间到时,单片机④脚或⑤脚输出高电平驱动驱动电压正转(或反转),完成开阀(或关阀)功能。当电机正常拖动阀门行进时,电机电流小于其额定值,IC2C输出低电平,不影响驱动工作。当电机拖动阀门到位后,驱动电机堵转,此时电机电流大于其额定值,IC2C输出高电平,单片机检测到此高电平后 ,延时7秒钟后停止驱动器工作,从而完成一次关阀(或开阀工作)。 流量信号采集器由霍尔传感器IC3、IC2A、IC2B及安装在阀门控制器附近油管中的可旋转叶片(叶片上装有磁铁)等组成。其作用是结合井上的抽油作业。可使某次设定的关阀时间失效,即可根据需要改变预先设定的关阀时间。当某次设定的关阀时间到时,井上的抽油正在工作,井下的油管中有液体流动。当 有磁铁的旋转叶片转动,霍尔传感器检测到此信号后,使IC2B输出高电平,单片机检测到此高电平后,使关阀控制正常进行。如果根据井上的情况,不想让某次设定的关阀时间工作,则井上作业在该设定时间到之前暂时停止抽油系统工作,这样井下油管中无液体流动。叶片停止转动,经霍尔检测,使IC2C输出低电平。单片机检测到此低电平时,停止此次关阀控制,使系统仍处于开阀状态。 系统软件设计 ![]() 图4:系统程序流程图 图5:定时中断程序流程图 本系统采用模块化思想,应用C语言完成主机AT89C52与从机PIC16F876A的软件设计。 主机程序实现键盘扫描、LCD显示、时间数据处理和串口通信等功能,系统程序流程图如图4所示。时间数据处理子程序能够设定“当前时间”和七个设定时间,并当设定的时间数据不符合设计要求火通信失败时,用户能够根据系统错误类型的提示,自行检测并排除故障。 从机程序实现中断计时功能,每秒钟产生一次定时中断,采用查询方式检测是否有堵转或流量信号,若设定时间到,驱动智能阀门打开或关闭,系统程序流程图如图5所示。 高温井下智能阀门控制系统,利用单片机实现自动控制,系统结构简单,功耗低、耐高温、现场安装、调试方便,能长时间工作于125℃以下的高温环境。现投入运行稳定,可满足不同井况的工作要求。 |



