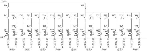
1 引言 气箱式脉冲袋收尘器是具有二十世纪九十年代先进水平的高效收尘器。它综合了分室反吹清灰和喷吹脉冲清灰等各类袋式收尘器的优点,克服了分室反吹清灰强度不够、喷吹脉冲清灰与过滤同时进行等缺点。本文介绍基于和利时公司HOLLiAS-LEC G3小型一体化PLC控制的气箱式脉冲袋收尘器的应用实例。 2 气箱式脉冲袋收尘器的工作原理 国内某水泥厂有一套气箱式脉冲袋收尘器。该收尘器共有9个分室,其中每个分室有1个提升阀和1个脉冲阀,共计18个控制阀。这些控制阀的分类如表1所示,接线图如图1所示。下面介绍控制阀的工作原理。 首先进行分组。18个控制阀被分为A和B两个阀组,控制阀YV1~YV10组成阀组A,控制阀YV11~YV18组成阀组B,通过阀组选通继电器KA6来进行阀组A或阀组B的选通控制。 然后进行分类。18个控制阀是由提升阀和脉冲阀等两类控制阀所组成,每类控制阀各有9个。通过脉冲阀选通继电器KA7来进行脉冲阀的选通控制。 例如,如果阀组选通继电器KA6吸合,分室1选通继电器KA1也吸合,那么提升阀YV1动作,而脉冲阀YV2不动作。如果此时脉冲阀选通继电器KA7也吸合,则脉冲阀YV2也动作,实现分室1的清灰动作。其它分室的动作与分室1类似。 表1 气箱式脉冲袋收尘器控制阀的分类
 图1 气箱式脉冲袋收尘器控制阀的接线图 3 PLC控制系统硬件设计 该系统以前采用单片机进行集中控制,分室的清吹时间和喷吹脉冲依靠时间继电器来进行设定和修改。单片机程序的可读性差,系统不易维护,程序更改复杂。而且由于单片机控制系统的可靠性和抗干扰能力较差,在现场恶劣的环境下,该控制系统经常出现故障。我们对运行环境进行了现场考察和反复研究,在可靠性、稳定性、方便性等方面做了大量工作,采用先进、实用、可靠的PLC对多个分室进行集中控制,提出了基于和利时公司HOLLiAS-LEC G3小型一体化PLC的控制系统改造方案。 根据图1所示气箱式脉冲袋收尘器控制阀的接线图,通过对阀组和阀类的选通来控制某一个阀,因此,PLC控制系统只需使用7个开关量输出点就可以控制18个阀。此外,PLC控制系统至少需要自动起动和过载保护等2个开关量输入信号。考虑到此系统需要一定的备用I/O点,CPU模块选择带有24点开关量I/O的LM3107,其中开关量输入14点,开关量输出10点,完全满足系统要求。系统的I/O点分配如表2所示,PLC外部接线如图2所示。 表2 PLC控制系统的I/O点分配

 图2 气箱式脉冲袋收尘器PLC外部接线图 4 PLC控制系统软件功能 改造后的PLC控制系统有手动和自动两种运行方式。 4.1 手动运行方式 当PLC检修或系统其它环节出现故障时,可以将控制系统随时切换为手动运行方式,通过手动转换开关、按钮和继电器等对收尘器进行控制。手动运行时,阀组的选择如图2所示,将手动/自动转换开关SA0扳到手动位置,通过阀组选通转换开关SA6选择要清灰的阀组。然后通过分室手动选通转换开关SA1~SA5选择分室1至分室9的提升阀,如图1所示。通过脉冲阀手动选通点动按钮SB1选择分室1至分室9的脉冲阀,如图2所示。 4.1 自动运行方式 如图2所示,将手动/自动转换开关SA0扳到自动位置,则PLC控制系统根据预先编好的控制程序,自动控制相关设备的运行。当控制系统给出自动运行的信号后,过载保护开关FR1用来自动检测系统的负载情况。如果系统发生过载,则禁止系统运行,并发出报警信号。如果没有发出报警信号,则系统延时5秒钟后进入自动运行状态。 分室1的提升阀1关闭(Q0.0和Q0.5输出)。2秒钟后,分室1的脉冲阀1动作(Q0.6输出)。0.15秒钟后,分室1的脉冲阀1停止动作(Q0.6停止输出)。8秒钟后,分室1的提升阀1打开(Q0.0和Q0.5停止输出)。 分室1动作结束后,延时5秒钟,分室2动作。 分室2的提升阀2关闭(Q0.1和Q0.5输出)。2秒钟后,分室2的脉冲阀2动作(Q0.6输出)。0.15秒钟后,分室2的脉冲阀2停止动作(Q0.6停止输出)。8秒钟后,分室2的提升阀2打开(Q0.1和Q0.5停止输出), 以此类推,直至分室9清灰结束,完成一个循环。下一个循环又从分室1开始清灰。如此循环执行清灰过程。 5 PLC控制系统的优点 气箱式脉冲袋收尘器控制系统的改造选用和利时公司的小型一体化PLC取代了原系统中的单片机,较大程度地提高了系统的配置,增加了系统的灵活性,能够更好地满足用户的需求。本系统有以下优点。 (1)连锁与保护 在系统中,相关设备的运行要求具有一定的连锁关系和时间顺序,这些功能由PLC的连锁程序完成,从而保证了系统的可靠运行,避免发生堵塞。 (2)灵活性 通过PLC面板的电位器,无须专门工具,也无须专业知识,一般操作人员可以方便地设定清灰的时间间隔。利用PLC的内部时间继电器取代传统的时间继电器,不但节省和简化了系统的硬件,而且计时更加可靠、准确和稳定。 (3)可靠性高 本系统的控制核心是和利时公司HOLLiAS-LEC G3小型一体化PLC,能够在恶劣的环境中长期、可靠、无故障地运行,接线简单,维护方便,隔离性好,抗腐蚀能力强,能够适应较宽的温度变化范围,平均无故障时间间隔(MTBF)大于15年。 (4)功能强大 和利时公司HOLLiAS-LEC G3小型一体化PLC的编程语言遵从IEC61131-3标准,易学、易懂、易用。除了具有传统的指令表、梯形图和功能块图等编程功能外,还具有结构化语言和顺序功能图等编程功能。和利时公司的PLC系统提供了多种应用功能模块,包括各种通讯功能模块、可以具体到年月日和时刻的多种定时器和超长时间继电器等,方便了各种功能的实现,有利于缩短开发周期和节省程序容量。 6 结论 改造后的气箱式脉冲袋收尘器PLC控制系统的实际运行结果表明,基于和利时公司HOLLiAS-LEC G3小型一体化PLC的控制系统达到了预期的效果,实现了对气箱式脉冲袋收尘器的控制,可以方便地更改收尘器的设定时间,减少了外部电路与元器件,具有先进、可靠、经济、灵活等显著特色。 参 考 文 献 [1> 杭州和利时自动化有限公司. HOLLiAS-LEC G3小型一体化PLC硬件手册,2006 [2> 杭州和利时自动化有限公司. HOLLiAS-LEC G3小型一体化PLC软件手册,2006 [3> 杭州和利时自动化有限公司. HOLLiAS-LEC G3小型一体化PLC指令与功能块手册,2006
|