FC302 中心卷绕功能介绍及调试方法
| 随着VLT5000的退市和FC300的全面销售的开始,FC300产品开发即将结束,其功能日渐完备。本文主要介绍FC300中心卷绕功能和一些调试心得。 一:中心卷绕的功能: 由上面的图上可以看出,中心卷绕控制有三个大的部分组成,即:张力给定处理—张力控制可以随着卷径的变化而变化;直径计算功能和张力PID控制。 中心卷绕的基本特点: o 张力控制的刷新时间为10-30 ms。 o 张力给定斜坡功能。 o 张力控制锥度功能 o 张力极限报警。 o 多材料张力PID参数集。 o 速度PID P值调节。 o 加速补偿功能。 o 卷径到达指示。 o 多个初始卷径选择及卷径测量。 o 卷径计算限制---卷径计算变化的速率可调。 卷径计算方向不符时限制。 1:张力给定处理
张力给定处理亦即锥度控制功能,其目的在于保证在收卷时,当直径变化时卷内外的张力一致,或卷内外松紧一致,防止在储存时卷变形。张力给定与卷径的关系不是线性的而是双曲线的。
2:张力单元
从上与可以看出,PID的实际给定值是在考虑了锥度功能之后的给定值,同时par-194是一个非常重要的参数,对张力系统的影响非常大。 3; 直径计算功能:
直径计算是基于 D=line speed/ winder speed Xcore1. 同时可有多个初始卷径可选。当卷径被复位后,有效的卷径值就是第一初始卷径。计算的卷径值在机器不断电时一直保持,断电在上电后,与卷径复位相同。
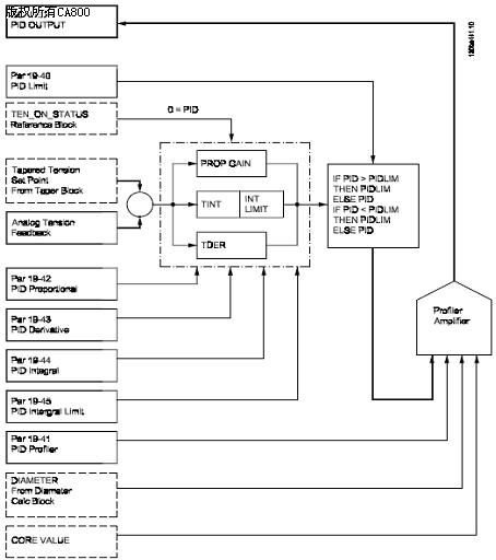
4:总框图:
中心卷绕还具有手动正反调节功能,同时,变频器的总给定是与卷径所对应的速度给定加上PID的调节量。 二:几个重要的参数: 1; 与卷径计算相关的三个参数: 1924:line speed scale 此参数是衡量最大线速度与线速度给定脉冲的一个系数。其意义是当线速度给定编码器每转线数确定时,当机器运行的速度为最大线速度时,卷径计算的线速度值为100000。 可以通过以下的公式来得出: 1926--winder speed scale: 与1924相类似,此参数是当卷径最小,即电机速度最大时,且反映电机速度的编码器的每转线数确定时,调节此参数使卷径计算单元中电机速度值为100000。 此参数也可通过下列公式得出: 1925—speed match scale: 此参数是确定当线速度给定最大时,电机在卷径最小时应该运行的速度。此参数与机械传动比和PID的调节量以及变频器最大速度设定值有关。 需要考虑的因素有以下几个: 当卷径最小是根据机械参数确定电机对英语最大线速度应该运行的速度,此速度一般来说是变频器设定的最大电机速度(参数3-03)的90%,即留给pid的最大调节量是电机最大速度的10%,同时也应该注意参数1940(pid output limit)最大应设为16384X10%。 2; 与PID控制相关的需特别注意的 几个参数: 1941--PID effect verses diameter: 此参数用于确定PID 之P值对应于卷径变化的值,因为当卷径大时,当张力有变化而需调节速度时PID的调节量会比卷径小时调节量会小一些,即需小的P值。反之当卷径小时,则需PID调节量大一些。下图可以直观地说明这种关系: 1930 line speed acceleration feed forward: 此参数用于补偿线速度变化时引起的张力波动。因为当线速度急速变化时,如果PID的调节功能不足以保持张力的稳定,则可考虑使用这一功能。其原理是给PID的输出之上叠加一个与线速度变化 相关的速度调节量 ,实践证明此功能可以很好地起到补偿作用。 1948 , 1949 大,小卷对应的速度环PID之P值: 此二参数分别是电机控制方式为速度闭环时,对应于空辊和满辊时速度PID的P值。其值得获得是要在调试开始时分别在空辊和满辊时利用MCT10示波器功能或同步控制卡的PID调试界面来确定。其值是否准确直接关乎大,小卷时张力的稳定性,此二参数可和1941配合使用。 其他的与卷绕相关的参数的设置与非卷绕控制时变频器的调试设置方法相同(如电机参数设置,AMA, 闭环速度设置等等)将不再赘述。 通过一些项目的调试实践,证明FC300的卷绕控制的功能比较完善,性能比较好,可靠性较高,值得大家推广和应用。 福大商务在线(www.fdauto.cn)为你提供最新的行业信息!并竭诚为你服务! |







