变频器龙门架上的应用


0、引 言 
    青岛海湾大桥(北桥位)是国家高速公路路网规划中的“青岛至兰州高速(M36)”青岛段的起点,也是我市道路交通规划网络布局中,胶州湾东西岸跨海通道中的“一路、一桥、一隧”重要组成部分。海湾大桥的建设,将实现半岛城市群区域内各中心城市之间形成“四小时经济圈”,区域内中心城市与本地市内各县市形成“一小时经济圈”的道路网络规划目标。下面介绍下深圳威科达V7系列变频器在青岛海湾大桥建设工地龙门架行走部分的应用实例。 

1、工艺要求:
    为了提高生产效率,要求龙门架在提升和放料时具有快速的工艺要求,即在物料吊起或放下时,前3∕5的行程用快速,以提高工作效率,后2∕5的行程时又要求慢速,以求准确到位和减少物料的晃动。原龙门架行走电机系统用的是双速锥转电动机,用快速来保证物料快速到达运行目的的相近处,后采用慢速接近目的地,以保证能准确到位。

2、原控制系统的不足: 
2.1整个线路用继电器来实现,线路复杂,处理故障时间长,不便维修。 
2.2速度不可调节,无法满足日益发展的生产需要。 
2.3使用锥转双速带刹车电动机,由于频繁的启动、停止,在使用了几年后,明显的故障已经出现,刹车块容易损坏,维修量大。由于刹车原因,电机也容易烧毁。为此提出改造。 

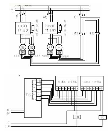
3、改造方案;
    为了达到既能提高生产效率,同时又能降低改造成本、维修成本和工作量,我们采用了深圳威科达V715KW变频器与三菱FX系列PLC配合进行了改造,利用变频器的多段速和UPDOWN功能来调节速度,提高生产效率。原理图如下:

COPYRIGHT(C) 2011 厦门永宏亚得机电科技有限公司版权所有(闽ICP备05025945号) ALL RIGHTS RESERVED?

电话: 0592-5190891 传真: 0592-5190720 E-Mail: E-mail:yade8895@163.com
地址: 厦门市海沧区兴港六里17号2607室 邮编:361009 联系人:翟先生