摘 要:本文主要介绍变频器在卷扬机主驱动系统应用技术。实践表明,台达B系列变频器完全能够满足客户需求,起重行业市场打下了坚实的基础。
1 引言
卷扬机又称绞车,是由动力驱动的卷筒通过挠性件(钢丝绳、链条)起升、运移重物的起重装置。它结构简单,使用方便,广泛应用于建筑、安装、运输等部门的拽引和起重作业。
卷扬机按驱动方式可分为人力驱动和机电动驱动两大类。本文讨论电力驱动型卷扬机的变频调速驱动技术。
电动卷扬机按拽引速度可分快速和慢速两种。快速卷扬机一般拽引速度为30-50m/min,多用于建筑工地。慢速卷扬机拽引速度为7-15m/min,主要用于设备安装作业。
2 电动卷扬机概要
卷扬机由安装在底盘基座上的电动机、减速机、卷筒、钢丝绳等主体单元以及电力液压推动器离合器、引导钢丝绳有序卷绕的排绳器、防止卷筒自行逆转的停止器、减速停转的电磁制动器、电控箱等辅件组成。卷扬机外形如图1图片所示。

图1 卷扬机外貌图片
3卷扬机变频调速设计
3.1 卷扬机变频调速
在建筑、安装、运输等部门的拽引和起重作业过程中,卷扬机调速是重要的功能设计。比较通常的定速卷扬机,调速卷扬机具有的更加广泛的作业适应性和更加优秀的作业效率和运行的安全稳定性。比较过去的绕线异步电动机等调速卷扬机,如今的变频器调速的技术优越性不言而喻。
3.2变频调速设计要求
(1)额定负载:12吨;超重负载:13吨。
(2)启动力矩大,松闸向上提升,不能有溜钩情况。
(3)重载下降时,变频器提供足够的制动转矩,克服重物加速下滑。
(4)在运行过程中,有高低速度切换,并且2段加速时间。
(5)重物行程速度14米/min。
(6)由于机械制动器的存在,要求变频器输出转矩与机械制动器的制动转矩平滑切换,不产生溜钩现象。
4 台达B系列变频器应用设计
4.1机电系统配置
(1)台达B系列变频器型号:VFD045B43A;制动单元:VFDB4045;制动电阻: 10000W/13.33欧姆。
(2)电机参数:型号:YZB250M1-6M;功率:37KW;额定转速:982r/min;电压:380V 电流:72.6A;5-50HZ恒转矩;50-100恒功率。
(3)圆柱齿轮减速器:型号:ZQ650-31.5-4,传动比:31.5,中心距:650mm。
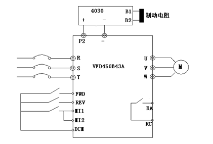
4.2 电原理设计
基于台达B系列变频器的卷扬机调速系统电原理设计参见图2。系统控制使用变频器端子控制方式,包括正反转控制、多功能选择控制(MI端子)、多功能指示选择接点(信号输出),能耗制动由B系列变频器配套制动单元实现。

图2 电原理设计
多功能继电器输出RA,RC外接机械抱闸线包,从而达到控制机械抱闸的开启。一般变频器都设置为运转中指示,但变频器在启动和停止时的外部负载不一致,造成溜钩发生。所以台达针对此应用开发了机械抱闸控制,把启动和停止的动作频率分开,大大简化了调试时间,很好的达到理想效果。
如果应用在快速卷扬机,因电机的减速比小,所以在松闸瞬间,变频器要输出180%额定扭力来确保重物不溜钩;因此根据需要适当调整01-05,01-06的值,使变频器能够承受电流冲击。
卷扬机的行程速度越快,电机的减速比越小,变频器受到的瞬间电流会更大。电机的过载能力达到6倍额定电流,但变频器这能达到2倍的额定电流,所以必须增大变频器的功率,避免变频器过载损坏,参见表1。
表1 运行时的电流输出值

在下降过程中,不管重物变化,但变频器显示的电流基本保持不变(60A),这可能导致变频器输出的制动转矩也是一致。
在快速卷扬机,要加大制动转矩,可能需要选用2个4030制动单元,10欧姆的制动电阻。这样在下降停止时,溜钩行程能够减小。
4.3 调试参数
01-00=50 最高操作频率
01-01=50 电机额定频率设定
01-02=380 电机额定电压设定
01-03=3 中间频率设定
01-04=30 中间电压设定
01-05=0.1 最低输出频率设定
01-06=10 最低输出电压设定
01-09=10 第一加速时间设定
01-10=10 第一减速时间设定
01-11=5 第二加速时间设定
02-01=1 由外端子操作键盘STOP键有效
03-00=29 机械抱闸控制
03-13=3 机械抱闸释放频率
03-14=5 机械抱闸动作频率
04-04=01 多段速一
04-05=07 第一、二家加速时间切换
05-00=50 第一段速频率设定
06-00=0 过电压失速防止功能无效
07-04=6 电机级数
08-16=1 无自动稳压功能
08-17=740 软体制动准位
F=20.00HZ
5 结束语
台达B系列变频器具有无速度传感器矢量控制技术,当变频器有0.5Hz输出时即有150%以上的高起动转矩,保证悬空起动及低速运转时的电机力矩,并可在 1:10的速度范围内(6-60Hz/5-50Hz)以100%转矩连续运行。速度调速偏差小于±1%。并利用一个高速微处理器和装备DSP来提高响应速度,在提升设备中对防止“滑落”很有效果,转矩响应时间约0.1秒便可达到100%的转矩。下落时,变频器将受到较高电势的能量释放过程,为保证变频器不过压跳闸不被击坏,增设能耗制动单元来保证变频器的正常工作。进行制动时放电电阻与电机内部的有功损耗部分结合成制动转矩。
参考文献
[1]VFD-B变频器说明书.中达电通股份有限公司
作者简介
张 硕(1979—) 变频器应用工程师
|