NUM全数字数控系统的应用
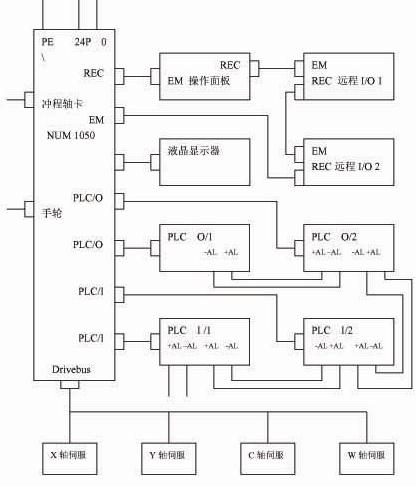
| 1. 引言 我公司于1989 年从德国引进的ZSTZ15磨齿机,系德国NILES公司80年代的产品,其控制系统以PC603及其I/O为核心,驱动系统的展成、分度、立柱、切向进磨均采用直流驱动器和直流伺服电机,滑枕冲程控制为电液伺服驱动。因电气及液压系统老化、PLC系统经常死机机,故障率逐年增高,液压伺服系统因变量泵、伺服缸、溢流阀等元件磨损,系统的内泄和外泄均很严重,常因压力降低而不能工作,尤其是三九和三伏天系统常常出现故障,冲程速度因压力的降低,只能达到 40次/分钟,仅是原来的2/3,机床效率大为下降、机床的加工精度也受到影响。加工的齿轮多数都在10级左右,已不能满足我公司生产发展的需要。 我们采用法国产NUM Axium Power 1050全数字数控系统对其进行了改造,使这台已经工作了近20年的老设备重新焕发了青春。 2. 数控化改造思路 2.1 数控系统 用当代最先进的全数字数控系统之一,法国NUM公司生产的NUM Axium Power 1050G全数字数控 系统及其全数字交流伺服驱动系统改造原来的PC603工控机及其PLC系统及其直流伺服驱动,该系统对于高性能的机床非常理想, NUM Axium Power 1050是一个多处理器的CNC,每2毫秒处理一次的路径产生及跟随,以及0.2毫秒的位置环刷新周期。具有标准的RS232接口,采用10.4寸彩色液晶显示器。 2.2 取消机械挂轮 取消原机床的机械挂轮及左、右齿面进给电机,展成运动和左、右齿面进给改为由NUM数控系统及其全数字交流伺服驱动系统控制X轴和C轴联动,用NUM系统的动态操作功能,通过复杂运算自动生成电子挂轮,取消了低精度的机械挂轮,减少机械传动环节以确保展成运动关系的精确。 2.3 开发友好的人工界面 开发设计齿轮参数界面、砂轮参数界面、修整磨和循环磨界面,通过人机界面可以方便的修改齿轮参数、工艺参数。自动生成冲程长度、冲程速度、展成长度及展成速度等相关参数,简化了加工前各种不同规格齿轮的计算及调整时间,简化了操作,提高了加工效率。 2.4 改造冲程液压伺服系统 利用德国博士伺服阀和力士乐变量泵更新改造冲程液压伺服系统,采用英国NEWALL球栅尺作冲程位置反馈,使ZSTZ15磨齿机升级为全新的数控磨齿机。 2.5 将原立柱移动(Y轴)、砂轮补偿(W轴)改为NUM数控系统及其交流伺服驱动系统控制。 3. 系统硬件配置 3.1 数控系统 MUM Auium POWER 1050 with coprocessor GS 10.4”LCDcolor screen(FS20) Industry QWERTY CNC keyboard(KBD30) Machine panel(MP02) Optical fiber 15m OEM handwheel unit 3.2 数控系统原理框图如下: ![]() 4. 软件设计 4.1 NC 程序设计 利用 NUM 系统独有的动态操作功能,编制程序生成电子挂轮,确保 X 轴和 C 轴的精确运动,满足圆柱渐开线齿轮的齿形需要。 4.2 PLC 程序设计 多任务的PLC程序,提高了PLC程序的编写和可读性,共设计了%TS0循环任务模块、%INI初始化任务模块和%SP1、%SP2、%SP3、% SP4、%SP5、%SP6六个子程序模块。将机床的启动、使能、轴控制、辅助功能、报警信息等编制成不同的模块。程序结构合理、层次清晰。 4.3 人机界面设计 利用MMITOOL软件开发友好的人工界面,设计出主界面、齿轮参数界面、修整磨界面、砂轮界面、自动循环界面、报警界面。 4.3.1 齿轮参数界面 图1为齿轮参数界面,操作者只需按照齿轮加工图纸,在操作台的键盘上,输入有关的数据(如齿轮的齿数、模数、螺旋角、齿宽等)后,就能自动生成展程长度、展程速度、冲程长度、冲程速度等加工参数,不需要再编制零件程序,即可进行齿轮加工,操作简单可靠。 ![]() 图1 参数界面 根据操作者的经验可以对自动生成的各参数进行适当调整,以满足加工的需要。 4.3.2 修整磨界面 修整磨界面即半自动界面,在此界面可以对找正后的齿轮进行试磨削,也可以进行单齿磨削和多齿磨削。 ![]() 图2 修整磨界面 4.3.3自动循环界面 图3为自动循环界面,在自动循环界面可以对磨削量进行设置和调整。显示加工循环圈数、当前加工状态、齿轮参数、各轴的运动状态、当前的磨削量和总磨削量。可控制冲程液压伺服系统的油温。 ![]() 图3 自动循环界面 4.3.4 手动界面 ![]() 图4 手动界面 见图4,在手动界面可对机床的X轴、C轴、Y轴、W轴、Z轴进行单独控制,配备的手轮方便了精确对刀。可以方便地修改冲程长度、展成速度、展成长度值。操作者可根据经验直接输入左右齿面间隙,加快对刀进程。 4.3.5 砂轮修整界面 ![]() 图5 砂轮修整界面 在砂轮修整界面可以显示出砂轮的当前直径,输入每次的修整量和修整次数,还可以较正砂轮的当前直径。 5. 冲程液压伺服系统 6. 结束语 NUM Axium Power 1050全数字数控系统在欧洲和美国以军工和航天工业的大量应用而著称于世,是当代最先进的全数字数控系统之一。它在ZSTZ15磨齿机的数控化改造中得以应用。不但提高了生产效率近一倍,同时提高了机床的加工精度,提高了操作工人的收入,产生了重大的经济效益。开创了利用NUM系统,以取消机械挂轮的模式改造大型磨齿机的先河,在磨齿机改造方面取得了突破。 |






