变频器开关启停、旋钮调速
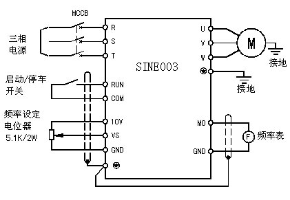
| 接线: 按图一所示的电路,连接空气开关、电源,检查接线无误后,合上空气开关,变频器上电,键盘数码管显示0.0。 关掉电源,电源指示灯熄灭后,再连接电机、起停开关、电位器、频率表(0~10V电压表头)等,变频器和电动机接地端子可靠接地,并仔细检查。
图一 开关启停、旋纽调速接线图 参数设定: F1.01出厂值为0,设定为1 F1.02出厂值为0,设定为1 按电机名牌设定电机参数:F1.21、F5.00~F5.04 查看F1.00的参数,旋转电位器,数码管显示的参考输入从0.0~50.0跟随电位器变化。 运行: 合上起停开关,变频器运行指示灯亮,输出频率从0.0Hz到达电位器设定频率。调节电位器,改变电动机转速。 |
<< 变送器和传感器的区别对变频调速技术问题的探讨 >>

