丹佛斯变频器(VLT5000)在假捻变形机中的应用
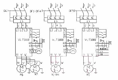
| 概述 交流变频调速技术在国内外得到了广泛的应用,它具有体积小,重量轻,安装操作简单,运行可靠,性能稳定等特点。近年来,国内各行业也相继应用变频调速技术来开发新产品,以满足生产现场和用户的需求。丹佛斯变频器在控制上采用了崭新的VVC控制原理,使且与标准的V/F控制装置相比较,在速度参数和负载转矩都改变的情况下,都能有良好的动态和稳定性。并且实现了一个全数字化的保护概念,即使在恶劣的操作条件下,也可确保可靠的运行。假捻变形机是用多台变频器带动各轴独立传动, 一、要保证运转过程中丝线的张力恒定,即要求变频器带动的各电机转速稳定, 二、在卷绕成形上要有扰动的实现,防止丝线的重叠,保证丝线有良好的退绕。 三、电机并联使用。 系统组成 如图1系统由6个变频器组成,1、2、3、4电机之间要保证丝线的张力;5电机实现扰动。防止丝线重叠,6做电机并联使用。 ![]() ●起动停止的实现 数字输入端子18为起动信号,组态参数为302。数字输入端子17为选择预设给定值一的信号,组态参数为301。数字输入端子27为惯性滑停信号,组态参数为304 ●给定信号 丹佛斯变频器有单一给定信号和多给定信号两种应用,使用单一给定时,只连接一个有效给定信号,它可以是一外部给定。或是一预设给定,外部给定可以是电压,电流,频率或经过串行端口的二进制信号。在这里我们使用串行端口的二进制给定信号,即通过串行端口把给定值写到预设给定值1里面。组态参数为215。 ●串行母线连接 根据RS485(2个导体)标准制定的串行通迅母线与变频器端子68/69(信号P和N)连接。信号P为正电势(TX+,RX+),信号N为负电势(TX-,RX-)。我们这里使用了多台变频器,故采用并联方式。连接时,电缆线屏蔽层可通过端子61接地;后经RC接点与机架连接,避免屏蔽层中潜在的均衡电流。而且在这种并联方式连接中,第一台变频器和最后一台变频器上的终端电阻必须设为ON状态。即把变频器上的开关2和3设为ON状态。 张力的保证 M1~M4相互独立,用4个变频器分别驱动,在机器运转时,4个电机轴根据工艺的设定,分别以不同的速度高速.稳定的运转,以保证机器运转时丝线的张力恒定不变。在实现时,可使用丹佛斯变频器的闭环控制,其优越的性能足以保证各电机轴的转速精度;也可以选择开环控制,不过在使用时一定要进行电机的自动适配,保证在变频器内建立起精确的电机模型,同时要调整电机参数,额定转速等参数,使其能满足纺丝的转速精度。 扰动的实现 ![]() 丝线在卷绕成形时,为保证丝与丝之不重叠,M5电机有一个三角波的速度变化如图2。丹佛斯变频器中有一块摆频卡可实现此功能。这里我们没有用摆频卡,我们用基本配置中的相对加和相对减来实现。 相对加快和相对减慢是在实际值中加进或减去一个百分数值(相对值)。具体实现是通过串行端口把相对加快或减慢的百分数值写到参数219中,然后定义端子32为相对加快(组态参数为306),定义端子33为相对减慢(组态参数为307)。为防止三角波出现平头,还得计算相对加快和减慢的斜率即加减速时间2,计算出加减速时间2的值后,通过串行端口把加减速时间2写到参数209(加速时间2)和参数210(减速时间2)中。同时得定义端子29为选择加减速时间2(组态参数为305)。这样在运行中,当接通相对加快或相对减慢(端子32或33)的同时接通加减速时间2(端子29),就可完成扰动的三角波功能。 并联电机 在应用中,由于我们的机器比较长,在通过平面皮带带动假捻器时,如果只在车头或车尾装一个电机,那么靠近离电机比较远的另一端的假捻器在转动时就会丢转,所以我们用到了并联电机来解决这个问题,丹佛斯变频器的VLT5000系列可以控制几个并联电机。在选型时要注意各个电机消耗的总电流不超过所选变频器的最大额定输出电流.如果这些电机的转速值相同,各电机之间必须有相同的转速额定值,如果这些电机的转速值不同,各个电机之间必须有不同的转速额定值,这样,在设定值改变的同时,各个电机的转速同时改变,即保证在整个控制范围内的额定转速值之间的比率保持一致。 电机的自动适配 电动机自动适配是一种检测算法,是为了使变频器和电机之间获得最佳的匹配,电动机自动适配过程中有两项电机特性特别重要:定子电阻,Rs.正常磁化水平时的电抗,Xs.VLT5000系列变频器是与电机适配较强的变频器.能在电机静止时通过检测电机的各种数值,使变频器和电机获得最佳的匹配。 结束语 对于纺织工业来说电机驱动是一个关键的环节,丹佛斯VLT变频器经过特殊设计,它可以满足纺织工艺的要求:一、因为对原材料的处理较为柔和,使得产品质量较好。二、由于耐用设计和内部EMC滤波器,使操作可靠性较高。三、由于稳定。平滑的电动机运行,停机时间较少。四、可以使用户节省10-20%的用电开支。五、友好的VLT对话软件使得操作和使用更加容易。VLT变频器经过在假捻变形机上的批量使用,证明其质量可靠,性能优越,是一种高品质的变频器。 |


